- Технические характеристики и другая информация предоставляются для справки.
- Чертежи и изображения представлены для ознакомления
Подшипник шариковый упорный 4114-AW
Подшипник шариковый упорный 4114-AW конструкция которого является разборной и включает в себя свободное и тугое кольца, а также сепаратор (чаще всего, стальной) и комплект шариков, которые могут устанавливаться отдельно, что упрощает процесс установки и демонтажа системы. Существуют одинарные и двойные варианты: первый состоит из двух шин и шарикоподшипников, оснащенных сепараторной оболочкой, и может воспринимать однонаправленное воздействие, а второй отличается лишь наличием пары комплектов тел качения и восприятием двунаправленных сил.
В чем плюсы и особенности Подшипник шариковый упорный 4114-AW?
- Работает только с нагрузками осевого типа и не рассчитан на воздействие радиального вектора приложения сил.
- Характеризуется повышенной стойкостью к рабочим нагрузкам, что позволяет увеличить срок эксплуатации по сравнению с иными моделями.
- Отвечает уровню качества, закрепленному в международных нормах ИСО, российских ГОСТах, японских, американских и немецких стандартах.
Приобретайте с выгодой для бюджета Подшипник шариковый упорный 4114-AW ГОСТ или его (аналог ISO), также прочие надежные изделия FAG, KOYO, NSK, SKF, SNR в нашем интернет-магазине!
Технические характеристики
Обозначение : 4114-AW
Размеры, мм : 70x109x34
Производитель : INA
Диаметр внутренний, мм : 70
Диаметр наружный, мм : 109
Высота, мм : 34
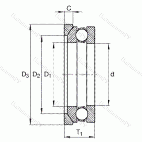
Технические данные из каталога производителя :
d - 2,756 inch
d - 70 mm
D3 - 4,291 inch
D3 - 109 mm
T1 - 1,339 inch
T1 - 34 mm
C - 0,354 inch
C - 9 mm
D1 - 2,835 inch
D2 - 3,11 inch
D2 - 79 mm
m - 0,42 lbs / Вес
m - 0,191 kg / Вес
Ca - 16600 lbf / динамическая грузоподъемность, осевая
Ca - 74000 N / динамическая грузоподъемность, осевая
C0a - 42000 lbf / статическая грузоподъемность, осевая
C0a - 187000 N / статическая грузоподъемность, осевая
nG - 2300 1/min / Предельная частота вращения
подкладные кольца для упорных шарикоподшипников 4100
|
Производитель
|
INA |
|
Ширина B
|
34 |
|
Внешний диаметр D
|
109 |
|
Внутренний диаметр d
|
70 |
|
Размер
|
70x109x34 |
|
Вес, кг
|
0.191 |
|
Модель
|
4114-AW-INA |
|
SKU
|
4114-AW-INA |
Похожие по размеру
Оформить заказ на нашем сайте легко. Просто добавьте выбранные товары в корзину, а затем перейдите на страницу Корзина, проверьте правильность заказанных позиций и нажмите кнопку «Оформить заказ» или «Быстрый заказ».
Функция «Быстрый заказ» позволяет покупателю не проходить всю процедуру оформления заказа самостоятельно. Вы заполняете форму, и через короткое время вам перезвонит менеджер магазина. Он уточнит все условия заказа, ответит на вопросы, касающиеся качества товара, его особенностей. А также подскажет о вариантах оплаты и доставки.
По результатам звонка, пользователь либо, получив уточнения, самостоятельно оформляет заказ, укомплектовав его необходимыми позициями, либо соглашается на оформление в том виде, в котором есть сейчас. Получает подтверждение на почту или на мобильный телефон и ждёт доставки.
Если вы уверены в выборе, то можете самостоятельно оформить заказ, заполнив по этапам всю форму.
Выберите из списка название вашего региона и населённого пункта. Если вы не нашли свой населённый пункт в списке, выберите значение «Другое местоположение» и впишите название своего населённого пункта в графу «Город». Введите правильный индекс.
В зависимости от места жительства вам предложат варианты доставки. Выберите любой удобный способ.
Оплата
Выберите оптимальный способ оплаты.
Введите данные о себе: ФИО, адрес доставки, номер телефона. В поле «Комментарии к заказу» введите сведения, которые могут пригодиться курьеру, например: подъезды в доме считаются справа налево.
Проверьте правильность ввода информации: позиции заказа, выбор местоположения, данные о покупателе. Нажмите кнопку «Оформить заказ».
Наш сервис запоминает данные о пользователе, информацию о заказе и в следующий раз предложит вам повторить к вводу данные предыдущего заказа. Если условия вам не подходят, выбирайте другие варианты.
