- Технические характеристики и другая информация предоставляются для справки.
- Чертежи и изображения представлены для ознакомления
Подшипник шариковый радиальный 6412-N
Подшипник шариковый радиальный 6412-N его строение включает в себя наружную шину, тела качения, сепаратор из штампованной стали, латуни или полиамида, центрирующийся по шарикам либо бортикам внешнего кольца. Устройство является неразборным и полностью готово к монтажу. Существуют также обслуживаемые и необслуживаемые варианты (в первом случае в корпусе детали имеется специальное смазочное отверстие, через которое происходит подача смазки, расходуемой в процессе работы). Закрытые модели дополнительно усилены уплотняющими шайбами или уплотнениями и не требуют обслуживания. В изделии также могут присутствовать узкие, широкие и средние зазоры.
Каковы характерные особенности Подшипник шариковый радиальный 6412-N?
- Рассчитан на восприятие серьезных аксиальных и незначительных осевых нагрузок.
- Обладает низким коэффициентом трения, за счет чего возможно вращение на максимально допустимых скоростях и более длительный срок эксплуатации в сравнении с аналогами.
- Отличается высокой грузоподъемностью и склонностью к самоцентрированию, что дает возможность выравнивать перекосы во время монтажа.
Приобретайте выгодно Подшипник шариковый радиальный 6412-N ГОСТ или его (аналоги ISO), а также иную продукцию от мировых промышленных брендов FAG, KOYO, NSK, SKF, SNR на нашем веб-сайте!
Технические характеристики
Обозначение : 6412-N
Размеры, мм : 60x150x35
Производитель : NKE
Диаметр внутренний, мм : 60
Диаметр наружный, мм : 150
Высота, мм : 35
Технические данные из каталога производителя :
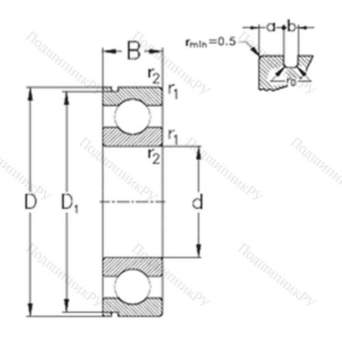
Внутренний диаметр (d) - 60 мм.
Наружный диаметр (D) - 150 мм.
Ширина (высота) (B) - 35 мм.
Ширина наружной обоймы (C) - 35 мм.
Размер (a) - 4,9 мм.
Размер (b) - 3,1 мм.
Размер (f) - 2,82 мм.
Размер (r1 min.) - 2,1 мм.
Размер (r2 min.) - 2,1 мм.
Размер (D1) - 145,24 мм.
Размер (D2) - 159,7 мм.
Масса - 2,9 Кг
Грузоподъемность динамическая (C) - 109 кН
Грузоподъемность статическая (C0) - 70 кН
Частота вращения предельная - 6300 об/мин
Количество дорожек качения - 1
Уплотнение - Нет
|
Производитель
|
NKE |
|
Ширина B
|
35 |
|
Внешний диаметр D
|
150 |
|
Внутренний диаметр d
|
60 |
|
Размер
|
60x150x35 |
|
Вес, кг
|
2.9 |
|
Модель
|
6412-N-NKE |
|
SKU
|
6412-N-NKE |
|
Диаметр вала d1
|
145,24 мм. |
Похожие по размеру
Оформить заказ на нашем сайте легко. Просто добавьте выбранные товары в корзину, а затем перейдите на страницу Корзина, проверьте правильность заказанных позиций и нажмите кнопку «Оформить заказ» или «Быстрый заказ».
Функция «Быстрый заказ» позволяет покупателю не проходить всю процедуру оформления заказа самостоятельно. Вы заполняете форму, и через короткое время вам перезвонит менеджер магазина. Он уточнит все условия заказа, ответит на вопросы, касающиеся качества товара, его особенностей. А также подскажет о вариантах оплаты и доставки.
По результатам звонка, пользователь либо, получив уточнения, самостоятельно оформляет заказ, укомплектовав его необходимыми позициями, либо соглашается на оформление в том виде, в котором есть сейчас. Получает подтверждение на почту или на мобильный телефон и ждёт доставки.
Если вы уверены в выборе, то можете самостоятельно оформить заказ, заполнив по этапам всю форму.
Выберите из списка название вашего региона и населённого пункта. Если вы не нашли свой населённый пункт в списке, выберите значение «Другое местоположение» и впишите название своего населённого пункта в графу «Город». Введите правильный индекс.
В зависимости от места жительства вам предложат варианты доставки. Выберите любой удобный способ.
Оплата
Выберите оптимальный способ оплаты.
Введите данные о себе: ФИО, адрес доставки, номер телефона. В поле «Комментарии к заказу» введите сведения, которые могут пригодиться курьеру, например: подъезды в доме считаются справа налево.
Проверьте правильность ввода информации: позиции заказа, выбор местоположения, данные о покупателе. Нажмите кнопку «Оформить заказ».
Наш сервис запоминает данные о пользователе, информацию о заказе и в следующий раз предложит вам повторить к вводу данные предыдущего заказа. Если условия вам не подходят, выбирайте другие варианты.
